服务热线
400-850-5208
星空app官网下载官方版APPPRODUCTS
Asker橡胶硬度计D型工业橡胶精度测量指针型
Asker橡胶硬度计D型工业橡胶精度测量指针型
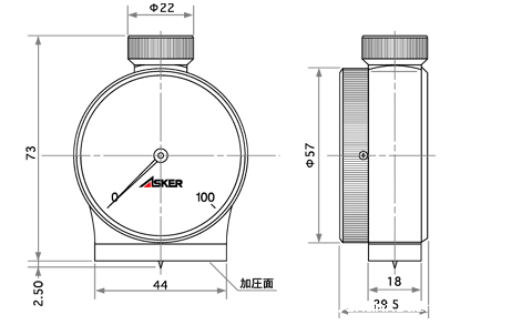
D型硬度计(用于高硬度)”广泛应用于JIS K 6253-3、ISO 48-4、ASTM D 2240等国内外标准。用于硬质橡胶、塑料的硬度测量。与样品接触的压力面很宽,为 44mm 宽 x 18mm 深,可实现稳定的测量。还有长脚型(DL型),即使样品的测量部分较窄或呈凹状,也可以进行测量。

合规标准
JIS K6253-3
JIS K7215
ASTM D2240
ISO 48-4
ISO 868
DIN 53505
测量秤
0 点至 100 点(262° 刻度)
小规模
1分(验证精度±1分)
压头形状mm
高度 2.50 30° 锥形 R0.1
弹簧载荷 mN (g)
0分
0 (0)
100分
44500 (4538)
受压面中心孔mm
φ3
受压面尺寸mm
44×18(长方形)
尺寸毫米
约宽57×深30×高76
重量克
200
用法
硬质橡胶/塑料