服务热线
400-850-5208
星空app官网下载官方版APPPRODUCTS
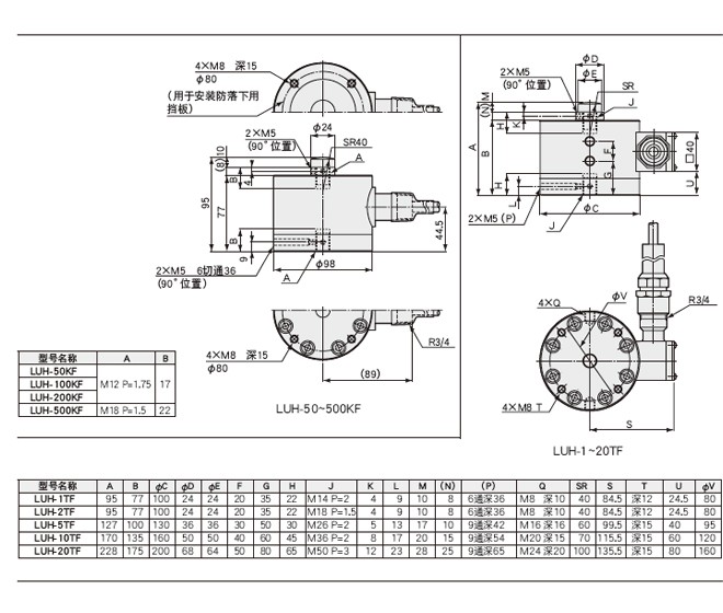
上海共和电业LUH-100KF LUH-200KF LUH-500KF高精度拉伸压缩两用载荷传感器
上海共和电业LUH-100KF LUH-200KF LUH-500KF高精度拉伸压缩两用载荷传感器
拉伸压缩两用载荷传感器。内部封闭惰性气体的密闭结构。额定容量:±500N~±200kN
直径:100mm(±500N~±5kN), 100mm(±10kN~±20kN), 130mm(±50kN), 160mm(±100kN), 200mm(±200kN)非线性:±0.02%RO或以内
| 额定容量 | ±5kN |
|---|---|
| 非线性 | ±0.02%RO或以内 |
| 滞后 | ±0.02%RO或以内 |
| 反复性 | 0.02%RO或以下 |
| 额定输出 | 2mV/V(4000×10-6应变量)±0.1% |
| 允许使用温度范围 | -35~80℃ |
|---|---|
| 温度补偿范围 | -10~60℃ |
| 零点温度影响 | ±0.0015%RO/℃或以内 |
| 输出温度影响 | ±0.001%/℃或以内 |
| 激励电压 | 20V AC或DC |
|---|---|
| 推荐激励电压 | 1~10V AC或DC |
| 输入电阻 | 350Ω±0.5% |
| 输出电阻 | 350Ω±0.5% |
| 电缆 | 0.5mm2,6芯屏蔽氯丁橡胶铠装线5m,外径9.5mm,前端裸线 (屏蔽线没有与主机连接) |
| 安全过载 | 150% |
|---|---|
| 固有频率 | 约4.6kHz |
| 重量 | 约2.1kg (不含电缆) |
| 其他 | 可安装防落下用挡板 (由客户自备) |
标配件 内六角止动螺丝M5长10mm×4,
内六角扳手(等边2.5mm)×1选购件 载荷底座 CA
安装台座 CF
自由支架 ER-B
球头节 TU
