服务热线
400-850-5208
星空app官网下载官方版APPPRODUCTS
日本sekonic世达FVM70A-ST振动式粘度计FVM72A
日本sekonic世达FVM70A-ST振动式粘度计FVM72A
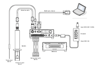
FVM70A 是一种用于过程在线应用的扭转振动粘度计。通过连接到带法兰的罐或管道,可以连续实时测量粘度和温度。驱动部分使用压电陶瓷的免维护粘度计。粘度传感器部分(探头)为全密封结构,非防爆型除安装法兰外,还可浸入液体中。将其安装在搅拌中的容器或液体流动的管道中,可以在液体流动时测量粘度。FVM70A-STFVM80A系列技术小型化,实现高精度
电源采用DC24V,可与控制设备共用同一电源通过采用与FVM80A/FEM-1000V相同的探头,管道设计标准化实现是可能的。FVM72A
FVM80A系列技术小型化实现高精度,电源采用AC适配器,更易于用作实验室机器。结合VM-200T2和T3探头实现小型化。

| 模型 | FVM70A-ST | ||
|---|---|---|---|
| 粘度测量范围 | L型 *注1 | M型 *注1 | H型 *注1 |
| 0.5~1000mPa・s | 10~5000mPa・s | 500~20000mPa・s | |
| 粘度测量精度 | 测量值的±2% *笔记2 | ||
| 重复性 | 测量值的±1% *笔记2 | ||
| 测温范围 | 0 至 100°C | ||
| 粘度校准 | 使用粘度计校准标准液的比较校准(JIS Z 8809-2011) | ||
| 粘度显示 | LCD 3位数字显示(不包括小数点) | ||
| 温度显示 | LCD 3位数字显示(不包括小数点) | ||
| 使用环境 | 10 至 40°C,20 至 80% RH(除接液部件外无冷凝) | ||
| 模拟输出 | 4 至 20mA 粘度 x 1 温度 x 1(对应满量程) | ||
| 数字输出 | RS232C接口输出 | ||
| 电源 | 输入:DC24V 700mA | ||
| 探头安装尺寸 | 插入孔径:φ46、安装螺栓:圆周上φ60、M4×4 | ||
| 接液部分材料 | 法兰:SUS316L,传感器:SUS316L | ||
| 外形尺寸和质量 | 探头:φ70×L190[mm](包括连接器连接)约1.4kg | ||
| 控制器:H72 x W220 x D220 [mm](不包括接线端子和连接器连接)约 1.7kg | |||
| 配件 | 连接电缆 (5m) *注3,操作说明 | ||
*1 从L、M、H量程中选择
*2 测定条件:在室温下使用JISZ8809粘度校准标准溶液,在23±3℃的温度下用搅拌器等搅拌该溶液。
*3 可延长至 10m、20m(付费选项)
*可选(付费选项)
特氟龙涂层探头
(探头:FVM80A-PST-T02)
2S 套圈附件
(探头:FVM80A-PST-F01)
![]()
FVM72A-VM-200T2
FVM72A-VM-200T3
| 模型 | FVM72A-VM-200T2 | FVM72A-VM-200T3 | ||||
|---|---|---|---|---|---|---|
| 粘度测量范围 | L型 *注1 | M型 *注1 | H型 *注1 | L型 *注1 | M型 *注1 | H型 *注1 |
| 0.5~ 1000mPa・s | 10 至 5000mPa・s | 500 至 20000mPa・s | 0.5~ 1000mPa・s | 10 至 5000mPa・s | 500 至 20000mPa・s | |
| 粘度测量精度 | 测量值的±2% *笔记2 | |||||
| 重复性 | 测量值的±1% *笔记2 | |||||
| 测温范围 | 0 至 100°C | |||||
| 粘度校准 | 使用粘度计校准标准液的比较校准(JIS Z 8809-2011) | |||||
| 粘度显示 | LCD 3位数字显示(不包括小数点) | |||||
| 温度显示 | LCD 3位数字显示(不包括小数点) | |||||
| 使用环境 | 10 至 40°C,20 至 80% RH(除接液部件外无冷凝) | |||||
| 模拟输出 | 0 至 5V 粘度 x 1 温度 x 1(对应于满量程) | |||||
| 数字输出 | RS232C接口输出 | |||||
| 电源 | 仅交流适配器 | |||||
| 探头安装尺寸 | (T3) 插入孔径:φ35×L215、安装螺栓:圆周φ50×L230、M4×4个 (T2)φ35 | |||||
| 接液部分材料 | 法兰:SUS304,传感器:SUS316 | |||||
| 外形尺寸和质量 | 探头:φ34 (T2), φ70 (T3 法兰) x L220[mm] (包括连接器连接) 约 0.75kg | |||||
| 控制器:H72 x W220 x D220 [mm](不包括接线端子和连接器连接)约 1.7kg | ||||||
| 配件 | 连接电缆 (5m) *注4 ,操作说明 | |||||
| 选项 | 温度传感器 (Pt),VM-200T3 探头护罩 | |||||
*1 选择 L、M 和 H 范围之一作为测量范围。
*2 测定条件:JISZ8809常温环境下粘度校准标准液,液温23±3℃同时用搅拌器搅拌等。
*3 FVM72A-VM-200T2 为±3%。(根据探头的固定方式,可能无法满足精度要求。)
*4 可选择 10m 和 20m。(附加选项)
*5 VM-200T2 探头标配有防护罩。
探头 VM-200T2
探头 VM-200T3